ANSYS LUMERICAL INTERCONNECT
PRUEBA ANSYS LUMERICAL INTERCONNECT
Optimiza el modelado fotónico con Ansys Lumerical INTERCONNECT: simula, analiza y resuelve desafíos de diseño en circuitos ópticos. Solicita tu demo gratuita y lleva tu innovación al siguiente nivel.
SIMULACIÓN DE CIRCUITOS FOTÓNICOS INTEGRADOS CON ANSYS LUMERICAL INTERCONNECT
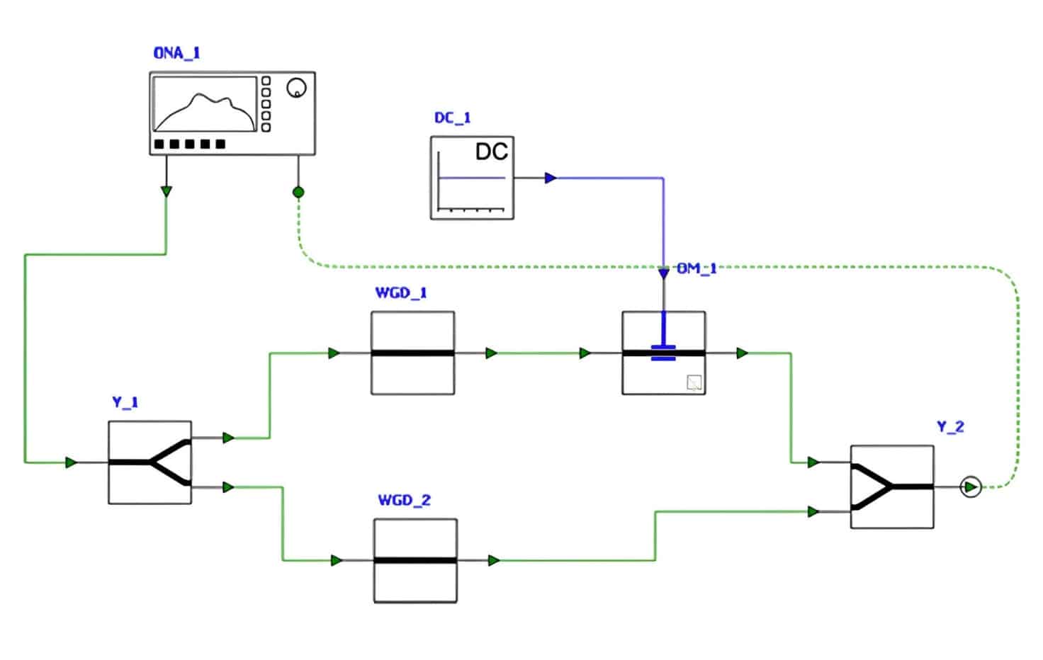
Ansys Lumerical INTERCONNECT es una herramienta avanzada para la simulación de circuitos fotónicos integrados (PICs), diseñada para abordar los desafíos más complejos en el diseño de sistemas optoelectrónicos. Su motor de simulación permite modelar el comportamiento de señales ópticas en el dominio del tiempo y la frecuencia, incluyendo efectos lineales, no lineales, bidireccionales y multimodo, en arquitecturas de alta densidad y rendimiento.
Gracias a su integración con el ecosistema de Ansys, INTERCONNECT se conecta con herramientas como Icepak, HFSS y Lumerical DEVICE, facilitando un flujo de trabajo multiphysics que permite evaluar el impacto térmico, electromagnético y estructural en el rendimiento de los circuitos. Los ingenieros pueden simular transceptores ópticos, sensores fotónicos, moduladores y sistemas cuánticos, optimizando el diseño desde la fase conceptual hasta la verificación final.
INTERCONNECT no solo permite construir circuitos mediante modelos compactos (CMLs) compatibles con foundries, sino que también ofrece análisis estadístico, estudios de tolerancia y simulaciones Monte Carlo para validar la robustez del diseño ante variaciones de proceso. Su entorno esquemático jerárquico, junto con capacidades de barrido paramétrico y scripting en Python o MATLAB, lo convierten en una solución flexible y escalable para proyectos de alta complejidad.
Además, Ansys Lumerical INTERCONNECT se integra con plataformas EDA estándar, lo que permite co-simular circuitos electrónicos y fotónicos en un mismo entorno. Esta interoperabilidad acelera la toma de decisiones, mejora la eficiencia del diseño y permite automatizar tareas mediante APIs, facilitando la implementación de flujos digitales en entornos de ingeniería avanzada.
Solucionador avanzado basado en física real
Simulación multifísica integrada
Modelado de geometrías complejas y mallas adaptativas
Optimización y automatización de diseños
FUNCIONALIDADES
ANSYS LUMERICAL INTERCONNECT
DISEÑO Y SIMULACIÓN DE CIRCUITOS FOTÓNICOS INTEGRADOS
Ansys Lumerical INTERCONNECT ofrece un entorno avanzado para el diseño y simulación de circuitos fotónicos integrados (PICs), ideal para aplicaciones en telecomunicaciones, computación cuántica y sensores ópticos. Gracias a su editor esquemático jerárquico, permite construir arquitecturas complejas con precisión y flexibilidad, facilitando el modelado de sistemas optoelectrónicos desde la fase conceptual hasta la validación.
La herramienta incluye análisis en el dominio de la frecuencia, simulación transitoria en modo de muestreo y simulación transitoria por bloques, lo que permite evaluar el comportamiento dinámico de señales ópticas en múltiples configuraciones. Además, incorpora funciones avanzadas de visualización y análisis de datos, con soporte para barridos paramétricos y optimización de diseño, lo que permite ajustar el rendimiento del circuito según criterios específicos de fabricación y operación.
INTERCONNECT se integra fácilmente en flujos de trabajo multiphysics y plataformas EDA, lo que lo convierte en una solución versátil para ingenieros que buscan precisión, escalabilidad y compatibilidad con foundries líderes.
DISEÑO Y SIMULACIÓN DE CIRCUITOS FOTÓNICOS CUÁNTICOS
Ansys Lumerical INTERCONNECT incorpora qINTERCONNECT, un solver especializado para el modelado de circuitos fotónicos cuánticos (Quantum PICs). Esta herramienta permite simular el comportamiento de sistemas cuánticos basados en fotones, incluso en presencia de imperfecciones de fabricación, pérdidas ópticas y fotones parcialmente distinguibles.
Gracias a sus flujos de trabajo simplificados, qINTERCONNECT facilita el acceso a la simulación cuántica sin necesidad de ser experto en teoría cuántica. Los ingenieros pueden evaluar métricas clave como la fidelidad y la probabilidad de éxito en arquitecturas fotónicas complejas, optimizando el diseño desde la fase inicial hasta la validación funcional.
Esta capacidad convierte a INTERCONNECT en una solución estratégica para el desarrollo de tecnologías cuánticas aplicadas a comunicaciones seguras, computación avanzada y sensores de alta precisión, integrando simulación clásica y cuántica en un mismo entorno.
INTEROPERABILIDAD CON HERRAMIENTAS EDA Y FLUJOS PDA
Ansys Lumerical INTERCONNECT se integra de forma fluida con herramientas estándar de diseño electrónico (EDA) y flujos de diseño fotónico (PDA), lo que permite simular y optimizar circuitos fotónicos en entornos familiares para los equipos de ingeniería. Esta interoperabilidad acelera los tiempos de desarrollo, mejora la fiabilidad del diseño y facilita la colaboración entre disciplinas.
Gracias a su compatibilidad con plataformas EDA líderes, INTERCONNECT permite incorporar modelos compactos, realizar co-simulación con circuitos electrónicos y automatizar tareas mediante scripts y APIs. Esto convierte a INTERCONNECT en una solución estratégica para proyectos que combinan fotónica y electrónica, desde el diseño conceptual hasta la verificación funcional.
ANÁLISIS ESTADÍSTICO DE CIRCUITOS FOTÓNICOS
Ansys Lumerical INTERCONNECT incorpora herramientas avanzadas de análisis estadístico para evaluar el impacto de las variaciones de proceso en el rendimiento de los circuitos fotónicos integrados. Mediante el análisis de esquinas (corner analysis), los ingenieros pueden modelar cómo afectan las desviaciones de fabricación a parámetros críticos del diseño, anticipando posibles degradaciones funcionales.
Además, INTERCONNECT permite ejecutar simulaciones Monte Carlo para analizar el rendimiento global del circuito y estimar el yield de fabricación. Este enfoque estadístico facilita la validación de diseños robustos frente a tolerancias reales, mejorando la fiabilidad y reduciendo el riesgo de fallos en producción.
Estas capacidades convierten a INTERCONNECT en una herramienta esencial para diseñadores que buscan optimizar sus PICs desde una perspectiva predictiva, combinando precisión técnica con eficiencia operativa en entornos de alta exigencia.
BIBLIOTECAS DE ELEMENTOS PARA CIRCUITOS FOTÓNICOS
Ansys Lumerical INTERCONNECT incluye una biblioteca estándar completa de bloques optoelectrónicos pasivos y activos, diseñada para facilitar la construcción, simulación y análisis de circuitos fotónicos integrados (PICs). Esta colección abarca componentes esenciales como moduladores, divisores, guías de onda, detectores y fuentes, permitiendo modelar arquitecturas complejas con precisión y eficiencia.
Además, INTERCONNECT ofrece dos extensiones especializadas que amplían sus capacidades de simulación:
- Extensión para modelado de láseres, que permite simular fuentes ópticas con parámetros configurables y comportamiento dinámico realista.
- Extensión para modelado de sistemas avanzados, que incorpora elementos sofisticados como fibras ópticas, amplificadores, codificación FEC y modelos de ecualización, ideales para simular enlaces completos en telecomunicaciones y sistemas de transmisión de alta velocidad.
Estas bibliotecas permiten a los ingenieros acelerar el desarrollo de PICs, validar el rendimiento de sistemas optoelectrónicos y adaptar sus diseños a requisitos específicos de fabricación y operación. INTERCONNECT se convierte así en una herramienta estratégica para proyectos que requieren versatilidad, profundidad técnica y compatibilidad con foundries líderes.
DESARROLLO Y DISTRIBUCIÓN DE BIBLIOTECAS DE MODELOS COMPACTOS (CML)
Ansys Lumerical INTERCONNECT, junto con las herramientas de simulación a nivel de dispositivo de Lumerical, proporciona una infraestructura completa para el desarrollo y la distribución de bibliotecas de modelos compactos fotónicos (CMLs), esenciales en el diseño y simulación de circuitos fotónicos integrados (PICs).
Cada modelo compacto se construye a partir de una combinación de datos experimentales medidos y resultados de simulación precisos obtenidos con herramientas como Lumerical DEVICE y MODE. Este enfoque garantiza que los componentes fotónicos representados en los CMLs reflejen con fidelidad su comportamiento físico real, facilitando la integración en flujos de diseño compatibles con foundries y plataformas EDA.
Gracias a esta capacidad, los fabricantes, universidades y centros de investigación pueden generar CMLs personalizados, compartirlos con sus equipos o clientes, y acelerar el desarrollo de PICs optimizados para producción. INTERCONNECT se convierte así en un pilar estratégico para quienes buscan precisión, escalabilidad y colaboración en entornos de diseño fotónico avanzado.
INTEGRACIÓN DE ANSYS ENGINEERING COPILOT
Ansys Engineering Copilot ya está integrado en Ansys Lumerical MODE, ofreciendo acceso directo al asistente inteligente desde el entorno de simulación fotónica. Esta incorporación permite a los ingenieros acelerar tareas complejas, resolver dudas técnicas en tiempo real y optimizar flujos de trabajo sin salir del software.
Gracias a esta integración, los usuarios pueden aprovechar el potencial de la inteligencia artificial para mejorar la productividad, automatizar procesos y obtener orientación contextual durante el diseño y análisis de dispositivos fotónicos. Engineering Copilot actúa como un apoyo experto dentro de MODE, facilitando decisiones técnicas más rápidas y precisas en proyectos de simulación avanzada.
TAMBIÉN TE PUEDE INTERESAR
NUESTRAS ÚLTIMAS NOTICIAS
Simulación de circuitos eléctricos con ANSYS: precisión, multiphysics y validación avanzada para ingeniería moderna
La simulación de circuitos eléctricos con ANSYS permite validar sistemas complejos con precisión multiphysics y reducir prototipos físicos.
Flujo laminar: qué es y cómo predecirlo mediante simulación avanzada con Ansys
El flujo laminar es un movimiento del fluido en capas estables y previsibles, cuya simulación con Ansys permite optimizar diseños y anticipar la tra
Robótica Industrial: Cómo la Simulación Avanzada Acelera el Diseño y Garantiza la Seguridad
Descubre cómo la simulación avanzada de Ansys acelera el diseño y garantiza la seguridad en robótica industrial.
Corrosión y degradación de materiales: simulación avanzada con Ansys
La corrosión y la degradación de materiales son procesos críticos que Ansys permite simular, anticipar y mitigar con precisión técnica.
